Приборы и устройства для подмотки
Большинство производителей оснащают автомобили оригинальными электронными спидометрами, отмотать пробег бывает проблематично. В результате были созданы различные варианты устройств, с помощью которых можно произвести корректировку пробега. Схемы приборов могут быть собраны на основе микропроцессорных плат либо дискретных компонентов.
CAN-крутилка
CAN-крутилка представляет прибор для эксплуатации современного транспорта. Нужно учитывать, что CAN представляет специальную шину, по которой осуществляется обмен импульсов между блоками электронных устройств машины. И схема подразумевает применение специального разъема для диагностики. Через разъем, зная протокол обмена, у автолюбителя есть возможность получения доступа к отдельным электронным приборам.
Благодаря применению CAN-крутилки можно произвести корректировку содержания необходимых ячеек в памяти блока управления, чтобы установить необходимый скрученный пробег. Эксплуатация CAN-крутилки является основным способом отматывания пройденного пути у перекупщиков автомобилей. Используя современное оборудование для диагностики, обнаружить изменение ячеек памяти проблематично.
Импульсная
Импульсная крутилка используется в машинах зарубежного производства, не оборудованных шиной CAN. Прибор следует подсоединять через разъем для диагностики OBD2. При эксплуатации крутилки на одометр поступают сигналы, которые имитируют импульсы с контроллера скорости. Меняются показания пройденного километража.
Генератор скорости
Генератор скорости позволяет сымитировать работу скоростного датчика. Вместе контроллера необходимо подключить генератор, выдающий последовательность сигналов, которые поступают на одометр. Генератор изменяет показания на одометре. Эксплуатация такого девайса актуальна в электромеханических спидометрах на машинах УАЗ, ВАЗ и автомобилей российского производства, выпущенных до 2006 года.
Другие варианты
Еще один способ — использование крутилки ABS, подходит для транспорта, с системой ABS. Принцип работы основан на скоростном датчике и вращении колес. Когда девайс подключается к разъему, имитирует работу колес, в соответствии с чем регулятор производит коррекцию показаний одометра.
Электронный одометр: корректировка
Эти приборы значительно усложнили процедуру корректировки. Для хранения информации производители предусмотрели специальную карту флеш-памяти. Ее впаивают в плату консоли. Кроме того, информация о пройденном километраже иногда хранится еще и в блоке управления, где сбросить ее в высшей степени сложно. То есть, даже если корректировка спидометра пройдет успешно, и на дисплее появятся желаемые цифры, истинное значение все равно можно будет узнать. Для этого проводится подключение специального сканирующего прибора к электронного управляющему блоку.
Это уменьшило мошенничество при продаже, но в некоторых случаях корректировка все же остается актуальной. К примеру, показания сбиваются после ремонта приборной панели. То есть, цифры нужно возвращать к тем, которые записаны в памяти блока.
Как это сделать? Большинство собственников автомобилей обращаются к специалистам станций техобслуживания. Но некоторые пытаются исправить ситуацию самостоятельно. Для этого необходимы навыки работы с компьютерной и радиоэлектронной техникой.
Первое, что нужно сделать – это снять приборную панель. Далее разбираются электронные блоки. На плате рядом с центральным процессором находится флеш-память. Она может выглядеть по разному, в зависимости от марки авто. Как ее узнать? Гаджет монтируют при помощи 8 ножек (по четыре на сторону). Память нужно выпаять очень аккуратно, чтобы дорожки к плате не пострадали. Обычно для этого используют маломощный паяльник. Для дальнейшей работы необходим специальный прибор для корректировки одометра – программатор. Его можно купить, но нужно понимать, что цена будет высокой. Отдельные умельцы ухитряются собирать программаторы самостоятельно. Для этого нужны три резистора (4,7 кОм), три стабилитрона, СОМ-разъем, чтобы подключаться компьютеру. Именно от компьютера будет происходить питание памяти через черный (минусовый) или красный (плюсовый) провода системного блока. На компьютере должно быть установлено специализированное программное обеспечение. В первую очередь, калькулятор пробега. Например, TachoSoft, переводящий количество километров у 16- ричный код. Также не обойтись без программ типа PonyProg. Их легко найти и скачать.
Программы достаточно запустить и в требуемый момент ввести желаемый показатель пробега. Эта процедура немного сложновато, но без нее не обойтись, если мы говорим о корейских или японских автомобилях.
В отдельный моделях разборка всей консоли не требуется, достаточно снять сам узел. Компьютер подключают к диагностическому разъему. Такая корректировка спидометра возможна для Ниссанов и Фордов.
Устройство и принцип работы
Принято думать, что одометр умеет считать километры пути. На самом деле устройство замеряет количество оборотов колес авто при его движения. Наверное, каждый мог наблюдать разный пробег при одном и том же расстоянии, но при разных диаметрах колес.

Одометр устроен следующим образом:
- Механический счетчик либо электронный дисплей – элементы позволяют считать данные с панели приборов;
- Счетчик или датчик, который считает обороты колес;
- Контроллер, внутри которого по специальным алгоритмам обороты колес превращаются в километры.
Само по себе устройство может быть механическим либо электронным. Колесо на каждый километр способно осуществить точное количество оборотов. При этом данный показатель в разных условиях будет одинаковым. Если прибор точно знает количество оборотов на один километр, то вполне способен просчитать пройденное расстояние.
Механический одометр приводится в действие с помощью гибкого кабеля – он изготовлен из туго свернутой пружины. Зачастую, кабель находится внутри трубки из металла, которая, в свою очередь, находится в резиновом корпусе.
Для функционирования механизма кабель одной стороной подключен к выходному валу коробки передач, а обратной стороной к приборной панели. Там кабель соединен с входным валом на одометре.
Внутри механического устройства применено несколько червячных передач. В общем и целом передаточное отношение равно – 1690:1.
Входной кабель заставляет вращаться первую червячную передачу – один оборот способен провернуть шестерню лишь на один зуб. Этот же механизм заставляет вращаться и следующую передачу, которая приводит в движение следующую.
В каждом индикаторе механического типа имеется ряд шпилек, которые торчат с одной стороны. Также имеется набор из двух шпилек, которые точат уже с дугой стороны.
Когда две шпильки соединяются с шестеренкой, одни зубец попадает между шпилек и может вращаться совместно с индикатором, пока шпильки не переместятся дальше. В данном механизме работает и одна из шпилек, имеются большее число и совершает 1/10 часть приворота.
Теперь, наверное, ясно и понятно, почему когда одометр показывает между 19 999 и 20 000 цифра «2» находится где-то посередине, а не на общем уровне с остальными цифрами. Дело в том, что в устройстве используются небольшие шпильки, предотвращающие одинаковое положение всего цифрового ряда. Зачастую, для того. чтобы все цифры стали в ровный ряд, прибор должен показать 21 000.

Что касается электронных одометров современных автомобилей, то здесь все гораздо сложнее. У каждого был или есть велосипед с компьютером. Так вот на колесе такого велосипеда закреплен магнит, на неподвижной части, например, на вилке, закреплен геркон. Когда магнит проходит рядом с герконом, компьютер считает оборот колеса, а затем обновляется информация на дисплее.
В автомобиле используется система, подобная велосипедной. Конечно, магнитного датчика автовладелец на колесе не обнаружит – вместо него можно наблюдать зубчатую шестерню на выходном вале КПП. Специальный датчик считает импульсы, когда мимо него проходит зубец шестеренки.
В некоторых моделях авто можно видеть щелевое колесо и оптические датчики – такая реализация есть в компьютерной мышке. Компьютер автомобиля знает, сколько машина проедет между импульсами и на базе этих цифр обновляет показания одометра.
Одна из интересных вещей касательно современного одометра связан с тем, как данные о пробеге попадают на панель приборов. Кабеля, который был в механическом датчике, здесь совсем нет. Приборная панель получает информацию от ЭБУ через электронные цепи.
В данном случае автомобиль можно сравнить с локальной сетью. В большинстве машин применяют стандартные коммуникационные протоколы – например, SAE J1850. Благодаря им все электронные системы и устройства в автомобиле могут общаться и обмениваться данными между сбой.
ЭБУ автомобиля учитывает каждый импульс и следит за общим расстоянием, которое автомобиль прошел за время совей жизни.
Среди специалистов есть мнение, что с электронным одометром сложнее продать машину – его трудно скрутить назад. Цифры на приборной панели поменять легко, но ЭБУ, блок КПП или другие системы обмануть очень трудно.
Устройство и принцип работы
Принято думать, что одометр умеет считать километры пути. На самом деле устройство замеряет количество оборотов колес авто при его движения. Наверное, каждый мог наблюдать разный пробег при одном и том же расстоянии, но при разных диаметрах колес.

Одометр устроен следующим образом:
- Механический счетчик либо электронный дисплей – элементы позволяют считать данные с панели приборов;
- Счетчик или датчик, который считает обороты колес;
- Контроллер, внутри которого по специальным алгоритмам обороты колес превращаются в километры.
Само по себе устройство может быть механическим либо электронным. Колесо на каждый километр способно осуществить точное количество оборотов. При этом данный показатель в разных условиях будет одинаковым. Если прибор точно знает количество оборотов на один километр, то вполне способен просчитать пройденное расстояние.
Статья по теме: Как продать битую машину быстро и выгодно
Механический одометр приводится в действие с помощью гибкого кабеля – он изготовлен из туго свернутой пружины. Зачастую, кабель находится внутри трубки из металла, которая, в свою очередь, находится в резиновом корпусе.
Для функционирования механизма кабель одной стороной подключен к выходному валу коробки передач, а обратной стороной к приборной панели. Там кабель соединен с входным валом на одометре.
Внутри механического устройства применено несколько червячных передач. В общем и целом передаточное отношение равно – 1690:1.
Входной кабель заставляет вращаться первую червячную передачу – один оборот способен провернуть шестерню лишь на один зуб. Этот же механизм заставляет вращаться и следующую передачу, которая приводит в движение следующую.
В каждом индикаторе механического типа имеется ряд шпилек, которые торчат с одной стороны. Также имеется набор из двух шпилек, которые точат уже с дугой стороны.
Когда две шпильки соединяются с шестеренкой, одни зубец попадает между шпилек и может вращаться совместно с индикатором, пока шпильки не переместятся дальше. В данном механизме работает и одна из шпилек, имеются большее число и совершает 1/10 часть приворота.
Теперь, наверное, ясно и понятно, почему когда одометр показывает между 19 999 и 20 000 цифра «2» находится где-то посередине, а не на общем уровне с остальными цифрами. Дело в том, что в устройстве используются небольшие шпильки, предотвращающие одинаковое положение всего цифрового ряда. Зачастую, для того. чтобы все цифры стали в ровный ряд, прибор должен показать 21 000.

Что касается электронных одометров современных автомобилей, то здесь все гораздо сложнее. У каждого был или есть велосипед с компьютером. Так вот на колесе такого велосипеда закреплен магнит, на неподвижной части, например, на вилке, закреплен геркон. Когда магнит проходит рядом с герконом, компьютер считает оборот колеса, а затем обновляется информация на дисплее.
В автомобиле используется система, подобная велосипедной. Конечно, магнитного датчика автовладелец на колесе не обнаружит – вместо него можно наблюдать зубчатую шестерню на выходном вале КПП. Специальный датчик считает импульсы, когда мимо него проходит зубец шестеренки.
Это интересно: Для чего нужен стабилизатор поперечной устойчивости
В некоторых моделях авто можно видеть щелевое колесо и оптические датчики – такая реализация есть в компьютерной мышке. Компьютер автомобиля знает, сколько машина проедет между импульсами и на базе этих цифр обновляет показания одометра.
Одна из интересных вещей касательно современного одометра связан с тем, как данные о пробеге попадают на панель приборов. Кабеля, который был в механическом датчике, здесь совсем нет. Приборная панель получает информацию от ЭБУ через электронные цепи.
В данном случае автомобиль можно сравнить с локальной сетью. В большинстве машин применяют стандартные коммуникационные протоколы – например, SAE J1850. Благодаря им все электронные системы и устройства в автомобиле могут общаться и обмениваться данными между сбой.
ЭБУ автомобиля учитывает каждый импульс и следит за общим расстоянием, которое автомобиль прошел за время совей жизни.
Среди специалистов есть мнение, что с электронным одометром сложнее продать машину – его трудно скрутить назад. Цифры на приборной панели поменять легко, но ЭБУ, блок КПП или другие системы обмануть очень трудно.
Зачем подматывать?
Перед тем, как расскажем, о работе крутилки спидометра, не лишним будет разобраться, для чего накручивать и сматывать показания. Смотка показателя с помощью специальной моталки позволяет увеличить стоимость транспорта при продаже, с этим понятно.
Что касается намотки, то причин может быть несколько:
- Намотчик спидометра может быть использован для увеличения затрат на горюче-смазочные материалы. Ведь увеличенный пробег дает возможность списывать больше бензина — такие схемы актуальны для водителей коммерческих автомобилей. Но если на коммерческом предприятии используется старый автомобиль, уровень расхода топлива будет более высокий. Корректировка спидометра позволяет компенсировать расходы на заправку.
- Калибровка спидометра может потребоваться при замене приборной панели. Ведь меняя контрольный щиток, следует провести показания устройства в соответствии с условиями эксплуатации.
- Моталка спидометра может потребоваться при эксплуатации других дисков, не рекомендованных производителем. Диаметр дисков может быть либо большим, либо меньшим, в ходе расчетов одометр может выдавать ошибки, демонстрируя неверные показания. Корректор спидометра дает возможность устранить ошибку.
Скручивание электронного одометра
Этот тип приборов появился сравнительно недавно. Принцип его работы основан на хранении информации в бортовом компьютере. Информация в него подается со специальных датчиков, оптических или магнитных. Датчики располагаются либо прямо на колесе автомобиля, либо на вале КПП. Компьютер передает получаемые данные на табло приборной панели.
У дорогих моделей авто, например, у некоторых модификаций Тойоты или Ауди, данные о пробеге могут храниться в нескольких блоках памяти. А самая сложная система у БМВ, где таких блоков около десятка. Но специалисты по компьютерной диагностике говорят о том, что скрутить пробег можно с любого типа электронного устройства, фиксирующего пробег. Все упирается только в наличие соответствующего оборудования.

Приведем несколько способов, которыми пользуются, скручивая пробег с электронных одометров:
- Способ №1. Обычно им пользуются, когда меняют пробег у так называемых бюджетных автомобилей, то есть находящихся в низком ценовом диапазоне и на которые ставится самая простая электроника. Для того, чтобы изменить показания одометра, снимается приборная доска, к бортовому компьютеру подключается внешний компьютер с соответствующей программой, или специальный прибор, который называется программатор. Дальше запускается программа и показания с помощью ее меняются до нужных владельцу машины.
- Способ №2. Этот способ применяется при изменении показаний на дорогих машинах, у которых блоков хранения информации несколько штук. Этот способ аналогичен первому с той разницей, что процедура связана с поиском всех информационных хранилищ и изменения данных в каждом из них, что требует времени. Это нужно, чтобы бортовой компьютер не мог использовать данные из резервного хранилища для восстановления цифр реального пробега.
В зависимости от того, какое количество хранилищ придется зачищать, стоимость услуг по скручиванию пробега электронного одометра колеблется от 2,5 до 10-12 тысяч рублей.
Зачем и как отматывают одометры
Причинами для сознательных коррекций показаний одометра могут стать:
- желание уменьшить реальный пробег автомобиля;
- попытки скрыть не целевое использование машины;
- устранение некоторых сложностей с документальным оформлением служебного автопарка;
Как мы можем увидеть, причины в основном не очень правильные и порядочные. Если уменьшить цифру реального пробега, автомобиль можно продать его дороже. Если отмотать одометр до определенных показателей, можно скрыть тот факт, что машина ездила и порой ездила много, когда она должна спокойно стоять в гараже.
Тем не менее, сегодня официально выпускается оборудование, которое позволяет корректировать показатели даже для электронных одометров, что без специальных навыков и знаний, задача очень непростая. Более того, в ряде стран Европы за подобные манипуляции полагается тюремный срок и достаточно значительный как для таких проделок.
Проще всего, с технической точки зрения отмотать механический одометр. Трос снимается с вала, цепляется к дрели или иному подобному электроинструменту, после чего какое-то время вращается в нужную сторону. Но, далеко не все даже механические одометры позволяют так просто отматывать себя. Тогда приходится снимать сам счетчик и производить более сложные манипуляции уже с ним.
Что касается электронных одометров, коих сегодня большинство, то они отматываются при помощи специальных устройств и программных средств, которые вносят измененные данные в память бортового компьютера автомобиля. В ряде случаев приходится перепрограммировать один или несколько бортовых контроллеров, ведь показания магнитных датчиков скорости вращения колеса, передаются не только на одометр.
Нужно отметить, что измененные показания одометра не только вводят в заблуждение либо потенциального покупателя, либо человека, осуществляющего контроль использования машины, они могут являться препятствием для своевременного прохождения машиной, технического обслуживания или даже правильной диагностики тех или иных неполадок. Поэтому, в подавляющем большинстве случаев, такие коррекции, это по сути, мошенничество.
Роль устойства в определении пробега подержанного автомобиля
ВНИМАНИЕ! Нередко причиной искажения показаний прибора является намеренная корректировка общего пробега машины в ту или иную сторону. Чаще всего – в сторону их уменьшения, когда дело касается предпродажной подготовки подержанного автомобиля
Чаще всего – в сторону их уменьшения, когда дело касается предпродажной подготовки подержанного автомобиля.
Процедуру «омоложения» заезженного авто путем значительного снижения его пробега в обиходе называют «скруткой спидометра» или «отмоткой». Несмотря на сомнительную законность такого подхода, на рынке услуг сегодня существует и предлагается специальное оборудование, компьютерные программы, обещающие корректировку пробега любого типа одометров.
Проще всего «отмотать механику», цифровым приборам требуется спецоборудование и опытный специалист, способный перепрограммировать несколько бортовых контроллеров.
Бывалые автолюбители советуют диагностировать подержанный авто на предмет «скрутки»: показания магнитных датчиков колеса передаются не только на счетчик пробега, но и на другие функциональные узлы автомобиля, а значит могут быть восстановлены.
Даже небольшой тест – драйв, по мнению опытных водителей, может выявить манипуляции с бортовым оборудованием. Скачущие показания на индикаторах одометра во время пробной езды укажут на факт вмешательства в работу прибор; уберегут покупателя от опрометчивого шага.
Источники
- https://GarazHoff.ru/elektro-chast/adometr-ili-odometr.html
- https://rulikoleso.ru/interesnoe-na-jrepair-ru/agregats/chto-nuzhno-znat-pro-odometr
- https://EuroAutoUfa.ru/sovety/odometr-chto-eto.html
- https://AvtoNov.com/%D0%BE%D0%B4%D0%BE%D0%BC%D0%B5%D1%82%D1%80-%D0%B0%D0%B2%D1%82%D0%BE%D0%BC%D0%BE%D0%B1%D0%B8%D0%BB%D1%8F-%D1%87%D1%82%D0%BE-%D1%8D%D1%82%D0%BE-%D1%82%D0%B0%D0%BA%D0%BE%D0%B5/
- https://dostavka99.ru/zapchasti-i-kolesa/odometr-eto.html
- https://bolt-taxi.com/chto-nuzhno-znat-pro-odometr-printsip-raboty/
- https://FB.ru/article/284290/chto-takoe-spidometr-i-odometr-raznitsa-mejdu-priborami
- https://www.avtogide.ru/spidometr-i-odometr-dva-absolyutno-raznyh-izmeritelnyh-pribora-odin-iz-kotoryh-opredelyaet-mgnovennuyu-skorost-dvizheniya-avtomobilya-a-vtoroj-probeg-v-km-ili-milyah-poetomu-pravilno-govorit-ne.html
- https://motorist.guru/ustrojstvo/odometr.html
- https://zen.yandex.ru/media/zaponline/kak-rabotaiut-mehanicheskii-i-cifrovoi-odometry-5e5a0c2bf6822b7385feb428
- https://ModLex.ru/rossijskie-mashiny/pokazaniya-odometra-2.html
Подмотка механического спидометра
Цены на такую услугу в автомастерских сильно разнятся. Механические спидометры подмотать легче и дешевле. А вот с электронными устройствами придется повозиться, да и цены у специалистов очень высокие. Есть марки автомобилей, для которых стоимость такой процедуры доходит до 25000 рублей.
Дело в том, что в современных электронных системах, информация с одометра дублируется в разных системах, в закодированном виде. Раньше записывалось только в памяти самого прибора. Достаточно было стереть эти данные только из памяти устройства. Сейчас, чтобы подмотать спидометр, нужно подкорректировать данные во многих электронных блоках.
Механический спидометр сматывается так:
- Отсоединить трос от коробки передач;
- К нему присоедините электродрель, используя резиновый патрубок. Один конец натяните на кончик тросика спидометра, другой засуньте в патрон электродрели;
- Включите шнур в розетку. По мере вращения иглы, будут уменьшаться показания на спидометре. Подождите немного, пока показания не дойдут до нужного уровня, отключите дрель;
- Чтобы вернуть все на место, выполните те же действия, в обратном направлении.
Конструкции одометров разных видов
Данный элемент представляет собой циферблат. Но это только часть устройства. На вторичном валу КПП находится шестерня, которая находится в зацеплении с шестеренкой привода счетчика. Эта деталь соединена гибким тросиком с блоком, который отвечает за спидометр-одометр. Механические устройства являются одними из самых старых. Скрутить пробег на таких можно при помощи любых приспособлений, которые могут вращаться. Счетчик считает обороты, а значит, с помощью любого электрического двигателя можно как скрутить, так и накрутить цифры на счетчике
Электромеханические счетчики – это системы на основе той же шестеренки на вторичном валу коробки передач (причем неважно, автоматическая это или механическая трансмиссия)

Видео «Инструкция по сбору подмотки из компьютерного кулера»
Иван Норин представил подробное руководство по сборке моталки для одометра из кулера персонального компьютера.
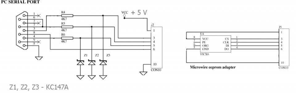
Всем хай! После замены приборки на оптитрон появилось желание вбить родной пробег в новую панель, т.к. оптитрон пришел с пробегом в 40тыс.км, а по факту было около 163тыс. Нет ничего невозможного, поэтому поехали:В Subaru до 2003 года в приборной панели есть только одна энергонезависимая память Eeprom 93c56. Хранит она в себе пробег, как общий так и суточный, калибровочные данные стрелок приборов (т.е.на какую величину отклонять стрелки при определенном значении сигнала) и еще что-то…;) Суть корректировки пробега заключается в перезаписи 16тиричного кода, обозначающего реальный пробег на тот, который нас интересует.
Необходимо разобрать приборную панель и выпаять эту самую флеш память.




Выпаиваем слабомощным паяльником флешку, аккуратно, не отломив на ней ножки, новые в радиомагазине по 40 рублей Для программирования придется собрать простейший программатор, нужно пару метров проводов, 3 резистора по 4,7кОм, мама СОМ-разъема и 3 стабилитрона, маркировка на схеме.


Ниже можно увидеть, каким может получиться программатор при наличии прямых рук и немного материалов! Фото собранного программатора по схемам, выложенных выше, предоставлено субароводом N4cer. У меня все было похабнее, но работоспособно:))




Собрав программатор и подпаяв к нему флешку, я делал всё навесным монтажом, устанавливаем скачанный на просторах интернета софт под названием PonyProg а также понадобится калькулятор пробега, названия программ на фото ниже. Установив пони делаем калибровку и настройку, выбираем тип нашей микросхемы: MicroWire16eeprom 9356. Далее считываем данные с памяти и наблюдаем не 0000 или FFFF, a следующую картину символов:

Сразу сохраняем считанный код в отдельное место, как бы backup, на всякий случай. Затем читаем еще раз и начинаем баловаться)Пробег хранится в последних двух строках, открыв калькулятор выбираем наш авто и пишем пробег, нужный нам. Программа генерирует код в 16тиричной системе и мы вбиваем его вместо нижних строк. Возможно, необходимо будет менять биты местами, старший с младшим, поэтому рекомендую перед операцией переписать ваш пробег и в калькуляторе сначала вбить его, тем самым проверить сойдется ли код пробега считанный вами с кодом от калькулятора. Если все ровно и биты не переставлены, то правим считанный код заменой и записываем в память, после можно проверить правильность записи, есть такая функция в программе. Вообще программа простая, по ней много инфы.
Если все записали и все получилось, то впаиваем чип обратно, собираем в обратной последовательности и радуемся новому пробегу.Пытался перепрограммировать не выпаивая, так сказать внутрисхемно, не получилось, считывает одни нули…возможно нужно 6ую ножку перерезать, впрочем я еще эксперементирую:))
Кстати, оживил панель от турбо-механики, влил родную прошивку и заработала. Напомню, менял калибровочные значения стрелок в ней, чтобы на 6ти цилиндрах тахометр не врал. Тахо врать перестал но стрелка стала дергаться и спидометр не работал, поменял все обратно и работает…короче она у меня на эксперементах, так же как и в планах заставить её делать стрелками круг почета:))

Не так давно был приятно удивлен тем, что мы теперь возглавляем наш модельный ряд! Очень почетно и ответственно, спасибо Вам, друзья! Ведь все что здесь пишется — исключительно в интересах субобратства и им срчувствующих, лишних и неинформативных постов не плодим! Когда регистрировал аута, 2 года назад, и поверить не мог, что мы будем в топе:) Но это справедливо, этот автомобиль особенный, он не должен оставаться незамеченным))
Показания спидометра зачастую являются одним из критериев, по которым оценивают качество и сроки проведения ТО автомобиля. Точнее говоря, это относится к одометру, являющемуся составной частью прибора, измеряющего пройденное расстояние. Чтобы не нарушать общепринятое наименование устройства, он и дальше будет называться именно так. Зачастую по ряду причин, порой и субъективных, приходится осуществлять подмотку спидометра, изменяя пройденный автомобилем путь.





























