Расход топлива – по заводским нормам и реальный
По техническим паспортным данным расход топлива на скорости 60 км/час с двигателем ЗМЗ 4063 и ЗМЗ 4061 составляет 10,5 л, на скорости 80 км/час – 13 л. Но при контрольном замере не учитываются многие факторы:
- Загруженность авто;
- Погодные условия;
- Дорожная обстановка;
- Техническое состояние автомобиля.
В эти нормы можно уложиться, если автомобиль будет эксплуатироваться летом на сухой дороге, при этом без груза и в полностью исправном состоянии. Многое еще зависит от стиля езды. Чем резче водитель нажимает на газ, тем больше расходуется топливо. Зависит расход бензина также от его качества. Замечено, что топливо с более высоким октановым числом меньше расходуется. Поэтому для «Газели» предпочтительнее заливать горючее марки Аи-95 вместо Аи-92.
Таблица сравнения расхода топлива в различных модификациях автомобиля Газель
Хуже двигателю от этого точно не будет, зато машина побежит резвее, да и бензин немного экономнее будет расходоваться.
Проверка высоковольтных проводов зажигания, не снимая их с автомобиля
Это примитивный, но достаточно эффективный метод. Самый простой вариант – поставить заведомо исправный кабель и сравнить работу двигателя. Если расположение высоковольтных проводов позволяет, можно менять их местами (вместе с разъемом на трамблере), и вновь считать ошибки сканером. Он укажет на другой номер цилиндра.

Определение пробоя «на глазок». В темноте видно, как искра «шьет» на корпус ДВС. Можно соединить толстый провод с массой, и проводить оголенным концом по изоляции. Слабое место вы увидите сразу – пробьет искра.
Несмотря на целый букет поломок, которые могут вызвать бронепровода, их решение не сложнее замены пробок в домашнем электрощитке. Выявили неисправный – установили новый. Если есть проблема, как поменять высоковольтные провода на трассе или в чистом поле (вдали от магазинов), помните, что кабели не ломаются внезапно, регулярная диагностика поможет не оказаться застигнутым врасплох.
Как тестировать свечи?
В процессе визуального осмотра деталей также рекомендуется проверять их работоспособность. Удобно и эффективно контролировать их работу, используя специальные стенды, которые позволяют проверить искрообразование под различным давлением.
Если такого стенда нет, можно выкрутить свечу, затем подключить ее к наконечнику высоковольтного провода и коснуться элемента, соединенного с массой. Затем запускается зажигание. Здесь нужно дать стартеру несколько раз провернуть коленвал. В результате должна проскочить сильная искра яркого фиолетового цвета. Если она слабая, а цвет ее блеклый, то это указывает на проблему с самой деталью и может требоваться замена свечи зажигания.
Микропроцессорная система зажигания ГАЗ 2705
Микропроцессорная система зажигания предназначена для воспламенения рабочей смеси в цилиндрах двигателя с установкой оптимального угла опережения зажигания для данного режима работы двигателя. Эта система управляет работой электромагнитного клапана экономайзера принудительного холостого хода (ЭПХХ).
С помощью микропроцессорной системы зажигания достигается более экономичная работа двигателя; при повышении его мощностных показателей исключается работа двигателя с детонацией и выполняются нормы по токсичности выхлопных газов. Эта система долговечнее и надежнее по сравнению с классической системой зажигания.
В ней отсутствуют детали, подвергающиеся износу (кроме электродов свечей зажигания).
|
|
Рис. 9.81. Нумерация выводов разъемов (вид со стороны проводов): XI — разъем блока управления системой зажигания; Х2 — разъем датчиков температуры и детонации; ХЗ -разъем датчиков положения коленчатого вала и абсолютного давления |
|
|
Рис. 9.80. Электрическая схема системы зажигания: В63 — датчик абсолютного давления; В70 — датчик температуры охлаждающей жидкости системы управления двигателем; В74 — датчик синхронизации; В92 — датчик детонации; D5 — блок управления системы зажимная; F1, F2, F3, F4 — свечи зажигания; Т1, Т4 — катушки зажигания; Y3 — электромагнитный клапан ЭПХХ; Х2 — соединитель с бортсетью автомобиля; Х51 — колодка диагностики; I — номера выводов Условные обозначения цветов проводов: Б — белый; Г — голубой; Ж — желтый; 3 — зеленый; К — красный; Кч — коричневый; О — оранжевый; Р — розовый; С — серый; Ч — черный, Ф — фиолетовый; БС — бело-серый; БЧ — бело-черный; ЖС — желто-серый; ЗБ — зелено-белый; КС — красно-серый; СГ — серо-голубой; СК — серо-красный; РЗ — розово-зеленый. Часть проводов может иметь цифровую маркировку |
Микропроцессорная система зажигания состоит из блока управления, двух катушек зажигания, свечей зажигания, датчиков, электромагнитного клапана ЭПХХ и контрольной лампы диагностики. Состав системы и схема соединений показана на pис.
|
Рис. 3.1. Органы управления |
При включении зажигания на панели приборов загорается сигнализатор (1 или 33 (см. 
|
Рис. 9.82. Диагностический разъем: 1 — диагностический разъем; 2 — дополнительный провод |
— запустить двигатель и дать ему поработать 30-60 с на холостом ходу, — отдельным проводом соединить выводы диагностической розетки согласно 
|
Рис. 9.83. Датчик положения коленчатого вала: 1 — обмотки; 2 — корпус; 3 — магнит; 4 — уплотнитель; 5 — привод; 6 — кронштейн крепления; 7 — магнитопровод; 8 — диск синхронизации |
Датчик установлен в передней части двигателя с правой стороны. Устройство датчика показано на 
|
Рис. 9.84. Датчик детонации: 1 — штекер; 2 — изолятор; 3 — корпус; 4 — гайка; 5 — упругая шайба; 6 — инерционная шайба; 7 — пьезоэлемент; 8 — контактная пластина |
Устройство пьезоэлектрического датчика детонации показано на 
|
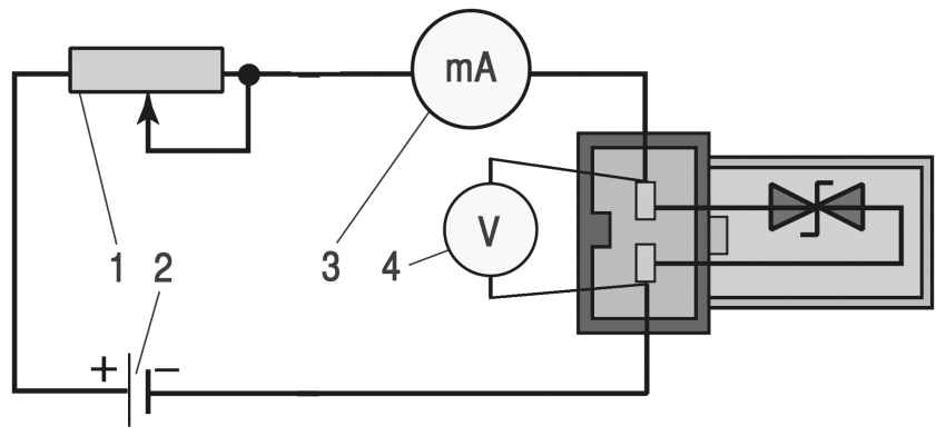
Рис. 9.85. Электрическая схема проверки датчика температуры: 1 — сопротивление переменное 10 кОм; 2 — аккумуляторная батарея; 3 — вольтметр, 4 — миллиамперметр; 5 — датчик |
Для проверки необходимо собрать схему (см. 
|
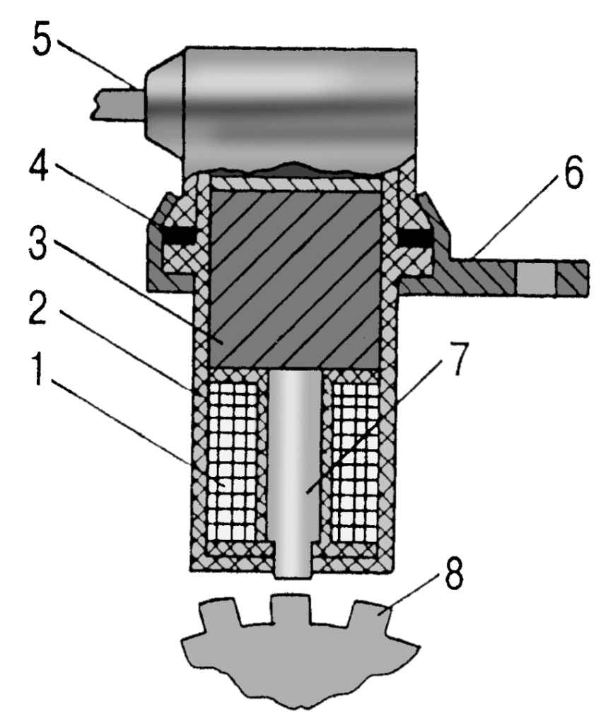
Рис. 9.86. Катушка зажигания: 1 — магнитопровод; 2 — корпус; 3 — катушка; 4 — обмотка вторичная; 5 — обмотка первичная; 6 — высоковольтный вывод; 7 — компаунд; 8 — скоба крепления |
Катушки зажигания (2 шт.) установлены сверху двигателя. Устройство катушки зажигания показано на 
|
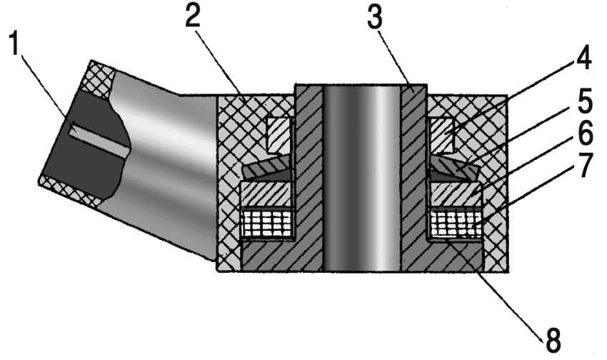
Рис. 9.87. Наконечник свечей зажигания: 1 — гнездо контактное; 2 — стержень; 3 — пружина; 4 — помехоподавительное сопротивление; 5 — наконечник; 6 — корпус; 7 — стопорная пружина |
Провода высокого напряжения подсоединяются к свечам через специальные наконечники. Устройство наконечника показано на рис. 9.87. Сопротивление исправного наконечника должно быть не более 8000 Ом.
Видео про «Микропроцессорная система зажигания» для ГАЗ 2705
Газель не заводится. Горит предохранитель.
Теория ДВС: Трёхконтурная система зажигания на ГАЗ-51
Теория ДВС: ЗМЗ-406 (Газель) переделанный под ГБО и паук 4-2-1
Схема подключения замка зажигания, катушки, свечей и модуля на Газели с 402 и 406 двигателем

Зажигание автомобиля – это совокупность устройств и приборов, которые обеспечивают воспламенение горючей смеси в цилиндрах в соответствии режимам работы двигателя. Я расскажу вам, что собой представляет эта катушка, насколько важна ее правильная работа для системы зажигания. Рассмотрим, как выглядит схема подключения катушки зажигания, и собственно, из чего она состоит.
статьи
- 1 Как подключить катушку
- 2 “Схема подсоединения катушки зажигания”
Для начала рассмотрим принцип работы СЗ Газель 402 двигатель. В данном случае речь идет о любых моделях этого авто — как с 406 мотором, так и о 5-местных Газелях. Принцип функционирования СЗ кроется в накоплении и дальнейшем преобразовании низковольтного напряжения в высоковольтное с помощью катушки после того. После преобразования катушка осуществляет передачу и распределение высоковольтного напряжения на свечи системы. Сами свечи используются для образования искры, которая, в свою очередь, необходима для возгорания топливовоздушной смеси в цилиндрах.
Основные этапы работы СЗ:
- накопление низковольтного заряда;
- преобразование его в высоковольтный;
- распределение импульса по соответствующим свечам в определенном порядке;
- создание искры на электродах свечей;
- возгорание горючей смеси.
Распиновка контактов замка зажигания Газели
Замена проводки на автомобиле Газель
Причины, вызывающие необходимость замены электрической проводки по схеме в автомобилях Газель, заключаются не только в связи с переборкой силового агрегата, но и:
- Вследствие естественного износа проводов;
- Расслоения изоляции из-за естественного старения;
- Механических повреждений (перегибы, задиры);
- Коротких замыканий в той или иной электроцепи;
- Окисления контактов и разъемов.
Дополнительные материалы для замены
Помимо покупки новой электропроводки, соответствующие используемому мотору, также подлежат замене:
- Высоковольтные провода;
- Электронный коммутатор (в поздних версиях моторов серии ЗМЗ-402);
- Катушка зажигания;
- Реле уровня заряда АКБ;
- Контактная группа блока предохранителей;
- Замок зажигания.
Места, требующие монтажных работ
Укладка жгута проводов не является сложным делом, тем более, что места их закрепления на раме предусмотрены изначально (желоба, технологические отверстия и т.п.).
Салон Газели с разобранной приборной панелью
Однако, по сложности, работы по замене подразделяются на зоны ответственности:
- Подкапотное пространство;
- Салон автомобиля;
- Задняя часть кузова.
Наиболее простой в плане подключения является задняя часть автомобиля, где требуется лишь закрепить жгут и подключить задние фонари и датчик уровня топлива в бензобаке. Более сложными являются салон и подкапотное пространство.
Электрическая система автомобиля Газель
Переход на инжекторные многоклапанные двигатели возможен и даже рекомендован автопроизводителем, однако не всегда владельцев такой подход устраивает, и в первую очередь с финансовой стороны.
Совет: Как бы там ни было, а извлекая мотор для переборки, у владельца есть возможность заменить и старую электропроводку.
Если ресурс восстанавливаемого силового агрегата внушает оптимизм, а под рукой есть схема электропроводки Газель — двигатель 402 вполне может прослужить еще не одну сотню тысяч километров.
Электрическая схема проводки Газель 402 двигатель
Неисправность высоковольтных проводов: симптомы и последствия
Общие признаки похожи на неполадки со свечами (если в сбоях не виноват инжектор), поэтому перед тем, как проверить высоковольтные провода, убедитесь в исправности остальных компонентов мотора.
- Проблемы с запуском – на свечи не поступает достаточное напряжение. Это может быть оборванная жила или коррозия контактов наконечника. Неисправность характерна для не прогретого мотора;
- Двигатель «стреляет» при старте; если запускается, то работает неровно, с повышенными вибрациями. Нарушен порядок подключения высоковольтных проводов;
- Рваная работа на холостых оборотах. Соединение со свечой пропадает от вибрации;
- Нарушение норм выброса СО. Проблема сопровождается периодическим троением мотора. В одном из цилиндров пропуски зажигания, и топливо сгорает не полностью;
- Помехи на мультимедийной системе: характер меняется при изменении числа оборотов коленвала. На сленге автолюбителей — высоковольтные автомобильные провода «шьют на массу». Множественные разряды на корпус двигателя создают «грозовые» помехи;
- Запах озона под капотом. Причина, как в предыдущем пункте: высоковольтные провода пробивают на корпус.
Характеристики
Инжекторный двигатель на авто «Газель-бизнес» имеет следующие технические характеристики:
- Тип мотора — четырехтактный бензиновый агрегат с 4-мя цилиндрами.
- Система впрыска — микропроцессорное управление с зажиганием и подачей воздуха.
- Объем цилиндров (куб. см) — 2 464.
- Стандартная мощность при скорости вращения 4,5 тысячи оборотов — 214 Нм.
- Фильтр — воздушный сухой сменный элемент.
- Охлаждающая система — закрытого типа с принудительной циркуляцией.
- Генератор — со встроенным блоком и контроллером напряжения.
- Датчики контроля перегрева системы и давления масла.
- Стартер — дистанционный, электромагнитный вариант с редуктором.
Технически мотор объемом 2,46 литра и мощностью 140 лошадиных сил вполне позволяет автомобилю пойти на обгон, выполнить крутой маневр при полной загруженности.
Замена проводки
Поэтому, при интеграции новой проводки лишь изменяется схема подключения в соединительных клеммах, а для совмещения следует пользоваться схемой электропроводки нового силового агрегата.
Менять всю электропроводку Газели при замене двигателя с 402 на 406 конечно не нецелесообразно.
Дело в том, что на более новых версиях Газелей изменялась и схема подключения тех или иных устройств:
- проводка Газель 406 интегрируется в штатную электрическую систему в подкапотном пространстве;
- соединяются с помощью клемм электронные компоненты и контрольные приборы;
- проверяется с помощью тестеров вольтаж и правильность подключения.
Гори ясно!
ГОРИ ЯСНО!
ДИАГНОСТИКА: СИСТЕМА ЗАЖИГАНИЯ ЗМЗ-406
Вы наверняка знаете, что для работы двигателя необходимо обеспечить не только хорошее наполнение цилиндров смесью воздуха и топлива, но и правильно эту смесь воспламенять. Разбираясь с условиями пуска двигателя ЗМЗ-406, в предыдущих номерах журнала мы уже проверили электрические цепи бензонасоса и форсунок, измерили давление топлива, убедились в том, что оно исправно подается в цилиндры. Значит, отказ мотора запуститься, скорее всего, связан с неполадками в зажигании. Какими именно?
Чтобы контроллер подавал управляющие команды форсункам и катушкам зажигания, сам он должен получать сигналы с датчика положения коленчатого вала. В исправности этого датчика мы уже убедились, когда проверяли, срабатывает ли форсунка (фото 1). Если это так, то имеет смысл сразу оценить работоспособность высоковольтной части системы зажигания — это самое простое.
Вынув свечной наконечник одного из цилиндров, вставляем в него пробник и зажимом соединяем с болтом клапанной крышки (фото 2). Можно вместо пробника воспользоваться исправной свечой, корпус которой любым способом (например, проводом) соединили с «массой». Включаем стартер. Нет искры? Вот теперь будем проверять низковольтные цепи. К каждой катушке зажигания идут два провода. На колодке розового при включенном зажигании должен быть «плюс» 12 В (фото 3).
Как проверить КЗ?
Как проверить КЗ самостоятельно:
- Для начала следует отключить провод питания от отрицательной клеммы АКБ и отключить зажигание.
- Затем откройте капот и отключите от изделия два высоковольтных кабеля. Выкрутите болты, а также демонтируйте планку вместе с изделием. Аналогичным образом осуществляется демонтаж второй КЗ.
- Сама процедура диагностики осуществляется при помощи омметра, его щупы подключаются вместо отключенных проводов. После подключения щупов необходимо произвести замер уровня сопротивления. Если изделие является работоспособным и исправным, то уровень сопротивления должен составлять около 0.4-0.5 Ом.
- Для получения более точных данных о диагностике можно также закоротить щупы тестера, после чего опять произвести диагностику сопротивления. В частности, теперь вас интересует вторичная обмотка устройства. Если девайс работоспособный, то полученное значение должно составлять в районе 5-7 кОм. В том случае, если диагностика показала другие значения, это свидетельствует о том, что КЗ нуждается в замене.
Двигатель ЗМЗ-406
ЗМЗ-406 — линейка рядных 4-цилиндровых 16-клапанных бензиновых автомобильных двигателей внутреннего сгорания производства ОАО «Заволжский моторный завод». Двигатель ЗМЗ-406 первоначально проектировался для установки на перспективную модель ГАЗ-3105. Первые прототипы двигателя появились в 1993 году, начало мелкосерийной сборки в 1996 году, выход на главный конвейер в 1997 году.
Модификации ДВС 3M3-406
- 3M3-4062.10 – инжекторный мотор под бензин АИ-92. Обладает степенью сжатия – 9,3. Мощность – 150 л.с. Для легковых автомобилей и микроавтобусов ГАЗ 31054 комплектации Люкс; ГАЗ 3102 (1996 – 2008 гг).
- 3M3-40621.10 – модификация двигателя 3M3-4062.10, соответствующая экологическому стандарту «Евро-2».
- 3M3-4063.10 – карбюраторный вариант мотора, предназначенный для установки на лёгкие коммерческие грузовики и микроавтобусы ГАЗ 3302, 33023, 2705, 3221, 32213, 322132, 32214, СемАР 3234, Рута, Богдан и Дельфин. Снижена до 8 степень сжатия под бензин А-76. Мощность – 110 л.с.
- 3M3-4061.10 – карбюраторный двигатель для лёгкого коммерческого транспорта ГАЗ 3302, 33023, 2705, 3221. Снижена до 8 степень сжатия под бензин А-76. Мощность — 100 л.с.
Распространенные неисправности и эксплуатация
- Чаще всего владельцы жалуются на капризные карбюраторные версии;
- Низкой надежностью обладает цепь ГРМ (при обрыве клапана не гнет);
- Много проблем доставляет система зажигания, чаще всего — катушки;
- Гидрокомпенсаторы обычно служат не более 50 000 км, а затем начинают стучать;
- Быстро залегают маслосъемные кольца и начинается масложор.
Карбюраторный 406-й мотор менее экономичен из-за невозможности точной регулировки подачи бензина. Более точно отрегулировать количество топлива практически невозможно, что отражается на показателях мощности и расхода горючего.
Инжектор заметно превосходит карбюраторный аналог по надежности, экономичности и мощности. Одним из основных положительных качеств инжекторов можно отметить отсутствие необходимости производить обязательные регулировки мотора. Система питания здесь не подвержена засорению, жиклеры отсутствуют, топливо в точном количестве поступает непосредственно в цилиндры.
Регулировка зажигания змз 405 инжектор
Поршень 1-го цилиндра устанавливают в положение верхней мертвой точки (ВМТ) такта сжатия для того, чтобы при проведении работ, связанных со снятием цепей привода газораспределительного механизма, не нарушалась установка фаз газораспределения. При нарушении фаз газораспределения двигатель не будет нормально работать.
1. Снять пробку 1 маслозаливной горловины. Снять наконечники 2 свечей зажигания с уплотнителями 3 проводов высокого напряжения и проводами. Отсоединить шланг 5 и трубку 7 вентиляции картера от штуцеров на крышке 6 головки блока. Отвернуть восемь болтов 4 и снять крышку 6 головки блока с прокладкой крышки.
2.
5. Если метки на шестернях коленчатого вала и на шестернях распределительных валов не совпадают, значит, нарушена установка фаз газораспределения (поршень первого цилиндра не установлен в ВМТ).
Поршень 1-го цилиндра устанавливают в положение верхней мертвой точки (ВМТ) такта сжатия для того, чтобы при проведении работ, связанных со снятием цепей привода газораспределительного механизма, не нарушалась установка фаз газораспределения. При нарушении фаз газораспределения двигатель не будет нормально работать.
1. Снять пробку 1 маслозаливной горловины. Снять наконечники 2 свечей зажигания с уплотнителями 3 проводов высокого напряжения и проводами. Отсоединить шланг 5 и трубку 7 вентиляции картера от штуцеров на крышке 6 головки блока. Отвернуть восемь болтов 4 и снять крышку 6 головки блока с прокладкой крышки.
2.
5. Если метки на шестернях коленчатого вала и на шестернях распределительных валов не совпадают, значит, нарушена установка фаз газораспределения (поршень первого цилиндра не установлен в ВМТ).
Автомобиль «Газель-405», двигатель-инжектор которого поучил систему впрыска, позволяющую эффективно расходовать и распределять топливную смесь по системе, используется в грузопассажирских перевозках. Конструкция силового агрегата отличается от предшественника наличием 16-ти клапанов. Данный мотор причисляется к серии ЗМЗ, выпускаемой Заволжским заводом.
Подключение высоковольтных проводов ЗМЗ 405, ЗМЗ 406
Двигатели ЗМЗ карбюраторный и Евро-2 оснащены системой зажигания DIS (Double Ignition System).
В системе DIS используются катушки зажигания с двумя высоковольтными проводами. Каждая катушка работает с соответствующей парой цилиндров.
Первая катушка работает с 1 и 4 цилиндрами, вторая катушка работает с 2 и 3 цилиндрами.
Как подключить катушки зажигания?
Катушка зажигания 1 и 4 цилиндров расположена ближе к впускному коллектору, катушка 2 и 3 цилиндров ближе к выпускному коллектору.
Низковольтные провода катушек обязательно подключать к катушке парой. Пара проводов на катушку 1-4 немного короче пары проводов на катушку 2-3.
Внутри пары неважно, на какой контакт какой подключается провод – катушки неполярные. Так же внутри пары не важно, какой высоковольтный провод идет на какой цилиндр
Рассмотрим на примере (смотрите фото)

Управление катушкой 1 (1 и 4 цилиндры) – зеленый и желтый провода. Эта пара подключается строго к катушке 1 и 4 цилиндров!
Низковольтная цепь – полярность не важна – можно подключить:
Вариант 1: Верхний контакт катушки – желтый, нижний контакт – зеленый.
Вариант 2: Верхний контакт катушки – зеленый, нижний контакт – желтый.
Высоковольтные выходы – полярность не важна – можно подключить:
Вариант 1: Верхний вывод на 1 цилиндр, нижний выход на 4 цилиндр.
Вариант 2: Верхний вывод на 4 цилиндр, нижний выход на 1 цилиндр.
Управление катушкой 2 (2 и 3 цилиндры) – голубой и желтый провода. Эта пара подключается строго к катушке 2 и 3 цилиндров! Далее – аналогично паре 1-4 – полярность внутри пары не важна.
Определяющим фактором при подключении пар низковольтных и высоковольтных проводов к соответствующей катушке зажигания является правильность их трассировки. Провода не должны быть сильно натянуты, сильно перегибаться, не должны тереться о неподвижные части двигателя и другие провода.
Еще статья о высоковольтных проводах ЗМЗ 405, 406 — прочтите, чтобы не повторить эту ошибку.
Как образуется искра на свече зажигания? Согласно теории электротехники, для пробоя 1 мм идеального воздушного пространства требуется напряжение 3000-4000 вольт. В условиях внутреннего пространства блока цилиндров условия более жесткие, но в любом случае, для свечей зажигания важна бесперебойная подача электроэнергии. Тысячи вольт вырабатывают катушки или модуль зажигания, их описание заслуживает отдельного материала.

Для исключения слабого звена некоторые производители устанавливают бобины прямо на свечи. Это делает систему надежнее и, соответственно, дороже. Мы рассмотрим классическую схему: катушка – высоковольтные провода зажигания – свеча.
Обслуживание и профилактика
Принцип работы инжекторного двигателя основан на контроле подачи топлива при помощи электроники. Благодаря этому профилактическое обслуживание мотору требуется примерно каждые 12 тысяч километров пробега (по рекомендации производителя). При этом производится замена масла и фильтра.
Если «Газель-405» (двигатель-инжектор) работает в интенсивном режиме, рекомендуется обслуживать мотор каждые 8-10 тысяч километров пробега, так как при больших нагрузках масло быстрее меняет химический состав и теряет свои свойства.
Регулировку клапанов с установкой соответствующих шайб рекомендуется производить через каждые 15 тысяч. Кроме того, необходимо проверять газораспределительный механизм, поскольку обрыв ремня может привести к деформации клапанов, что чревато дорогостоящим ремонтом или даже заменой головки блока цилиндров.
Источник
Система зажигания ГАЗ-3110 с двигателем ЗМЗ 406
Двигатель ЗМЗ–406 оборудован микропроцессорной системой зажигания, которая состоит из блока управления системами впрыска топлива и зажигания, двух катушек зажигания типов 30.3705 или 301.3705, свечей, высоковольтных и низковольтных проводов.
Блок управления установлен в салоне автомобиля с правой стороны под панелью приборов, за обивкой боковины кузова. Катушки зажигания установлены на крышке головки блока цилиндров. Блок управления получает сигналы от датчиков, установленных на двигателе, и на основе этого корректирует угол опережения зажигания, что позволяет получить оптимальные мощностные, экономические показатели и показатели токсичности.
Электрическая схема комплексной микропроцессорной системы управления двигателем (КМСУД)
Катушка зажигания
Снятие
1. Отсоединить провод от «минусовой» клеммы аккумуляторной батареи.
|
|
2. Отсоединить от катушки 4 колодки 1 низковольтных проводов и высоковольтные провода 5. Отвернуть болты 2, снять планку 3 и катушку 4.
3. Таким же образом снять вторую катушку.
Проверка
1. Катушки 30.3705 и 301.3705 проверяются искро-свечным диагностом 1АП975000 на автомобиле. Для этого от катушки отсоединить высоковольтные провода и вместо них подключить диагност. Затем провернуть двигатель стартером, при этом в разряднике диагноста должна проскакивать искра в такт работе цилиндров.
2. Проверить сопротивление первичной обмотки катушки зажигания, для чего подсоединить омметр между клеммами низкого напряжения. Омметр должен показать сопротивление 0,025–0,03 Ом. Затем проверить сопротивление вторичной обмотки, подсоединив омметр между высоковольтными клеммами катушки зажигания. Омметр должен показать сопротивление 4000–5000 Ом. Если измеренные параметры отличаются от указанных, катушку необходимо заменить.
Устанавливают катушку зажигания в порядке, обратном снятию.
Подключение высоковольтных проводов ЗМЗ 405, ЗМЗ 406
Двигатели ЗМЗ карбюраторный и Евро-2 оснащены системой зажигания DIS (Double Ignition System).
В системе DIS используются катушки зажигания с двумя высоковольтными проводами. Каждая катушка работает с соответствующей парой цилиндров.
Первая катушка работает с 1 и 4 цилиндрами, вторая катушка работает с 2 и 3 цилиндрами.
Как подключить катушки зажигания?
Катушка зажигания 1 и 4 цилиндров расположена ближе к впускному коллектору, катушка 2 и 3 цилиндров ближе к выпускному коллектору.
Низковольтные провода катушек обязательно подключать к катушке парой. Пара проводов на катушку 1-4 немного короче пары проводов на катушку 2-3.
Внутри пары неважно, на какой контакт какой подключается провод – катушки неполярные. Так же внутри пары не важно, какой высоковольтный провод идет на какой цилиндр
Рассмотрим на примере (смотрите фото)
Управление катушкой 1 (1 и 4 цилиндры) – зеленый и желтый провода. Эта пара подключается строго к катушке 1 и 4 цилиндров!
Низковольтная цепь – полярность не важна – можно подключить:
Вариант 1: Верхний контакт катушки – желтый, нижний контакт – зеленый.
Вариант 2: Верхний контакт катушки – зеленый, нижний контакт – желтый.
Высоковольтные выходы – полярность не важна – можно подключить:
Вариант 1: Верхний вывод на 1 цилиндр, нижний выход на 4 цилиндр.
Вариант 2: Верхний вывод на 4 цилиндр, нижний выход на 1 цилиндр.
Управление катушкой 2 (2 и 3 цилиндры) – голубой и желтый провода. Эта пара подключается строго к катушке 2 и 3 цилиндров! Далее – аналогично паре 1-4 – полярность внутри пары не важна.
Определяющим фактором при подключении пар низковольтных и высоковольтных проводов к соответствующей катушке зажигания является правильность их трассировки. Провода не должны быть сильно натянуты, сильно перегибаться, не должны тереться о неподвижные части двигателя и другие провода.
Еще статья о высоковольтных проводах ЗМЗ 405, 406 — прочтите, чтобы не повторить эту ошибку.
Двигатель ЗМЗ–406 оборудован микропроцессорной системой зажигания, которая состоит из блока управления системами впрыска топлива и зажигания, двух катушек зажигания типов 30.3705 или 301.3705, свечей, высоковольтных и низковольтных проводов.
Блок управления установлен в салоне автомобиля с правой стороны под панелью приборов, за обивкой боковины кузова.
Катушки зажигания установлены на крышке головки блока цилиндров.
Блок управления получает сигналы от датчиков, установленных на двигателе, и на основе этого корректирует угол опережения зажигания, что позволяет получить оптимальные мощностные, экономические показатели и показатели токсичности.
Электрическая схема комплексной микропроцессорной системы управления двигателем (КМСУД)
Катушка зажигания
1. Отсоединить провод от «минусовой» клеммы аккумуляторной батареи.
2. Отсоединить от катушки 4 колодки 1 низковольтных проводов и высоковольтные провода 5.
Отвернуть болты 2, снять планку 3 и катушку 4.
3. Таким же образом снять вторую катушку.
Проверка
1. Катушки 30.3705 и 301.3705 проверяются искро-свечным диагностом 1АП975000 на автомобиле.
Для этого от катушки отсоединить высоковольтные провода и вместо них подключить диагност.
Затем провернуть двигатель стартером, при этом в разряднике диагноста должна проскакивать искра в такт работе цилиндров.
2. Проверить сопротивление первичной обмотки катушки зажигания, для чего подсоединить омметр между клеммами низкого напряжения.
Омметр должен показать сопротивление 0,025–0,03 Ом.
Затем проверить сопротивление вторичной обмотки, подсоединив омметр между высоковольтными клеммами катушки зажигания.
Омметр должен показать сопротивление 4000–5000 Ом.
Если измеренные параметры отличаются от указанных, катушку необходимо заменить.
Устанавливают катушку зажигания в порядке, обратном снятию.
Как образуется искра на свече зажигания? Согласно теории электротехники, для пробоя 1 мм идеального воздушного пространства требуется напряжение 3000-4000 вольт. В условиях внутреннего пространства блока цилиндров условия более жесткие, но в любом случае, для свечей зажигания важна бесперебойная подача электроэнергии. Тысячи вольт вырабатывают катушки или модуль зажигания, их описание заслуживает отдельного материала.

Для исключения слабого звена некоторые производители устанавливают бобины прямо на свечи. Это делает систему надежнее и, соответственно, дороже. Мы рассмотрим классическую схему: катушка – высоковольтные провода зажигания – свеча.
Проверка высоковольтных проводов зажигания подручными средствами
Если ваш автомобиль оснащен портом OBD, можно локализовать неисправность как минимум до номера цилиндра. Самый примитивный сканер (типа ELM 327) покажет пропуски или отсутствие зажигания. При любом способе выявления проблемного участка тестировать провода лучше в снятом состоянии. Для полной проверки понадобится умножитель напряжения и мегомметр (для проверки изоляции). К источнику высокого напряжения подключаются провода, и проводятся лабораторные испытания. Такого оборудования в гараже, как правило, нет, поэтому воспользуемся мультиметром.
Тест начинается с визуального осмотра. На изоляции не должно быть трещин, черных точек пробоя искры, кабель должен изгибаться с одинаковым усилием в любом месте. Наконечники без окислов, надломов. Колпачки целые, с одинаковой толщиной юбки.
Затем измеряем сопротивление высоковольтных проводов зажигания. На всех бронекабелях оно должно быть примерно одинаковым – в пределах 2кОм – 10кОм. Какое именно значение – зависит от производителя. Номинал можно посмотреть в паспорте изделия. Заменить высоковольтные провода на нештатные (от другого авто) нельзя, их сопротивление рассчитано под возможности катушки зажигания. Неисправные надо отбраковывать: ремонт высоковольтных проводов внутри изоляции невозможен.
Возможности силового агрегата
Владельцев авто «Газель-405» двигатель-инжектор впечатляет, особенно показателем расхода горючего. Он составляет от 8 литров по трассе до 13 в смешанном цикле при езде по городу. Также экономно расходуется масло: примерно 100 грамм на тысячу километров. В одноточечной системе коллектор оборудован только одной форсункой на все цилиндры. В распределенном блоке каждый из них имеется свой коллектор. А при непосредственном впрыске топливо подается напрямую к цилиндрам как у дизельного мотора.
Инжекторные автомобили более экономичны, так как происходит точное дозирование. Кроме того, экологичность выхлопных газов, поступающих в окружающую среду, соответствует стандарту «Евро 3», показатель мощности увеличивается на 10%.
Данный силовой агрегат адаптирован к отечественным климатическим условиям. Он хорошо переносит жару, сильный холод и резкие температурные колебания. Силовая установка четко и надежно функционирует в самых суровых и сложных климатических поясах. Она без проблем запускается в сильный мороз.























Рис. 2









